3-phase energy meter
Last modified:
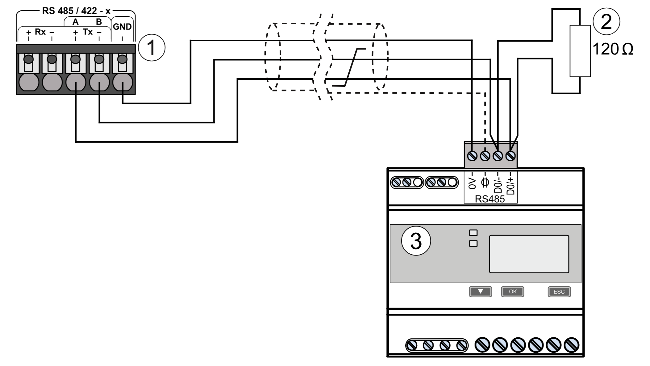
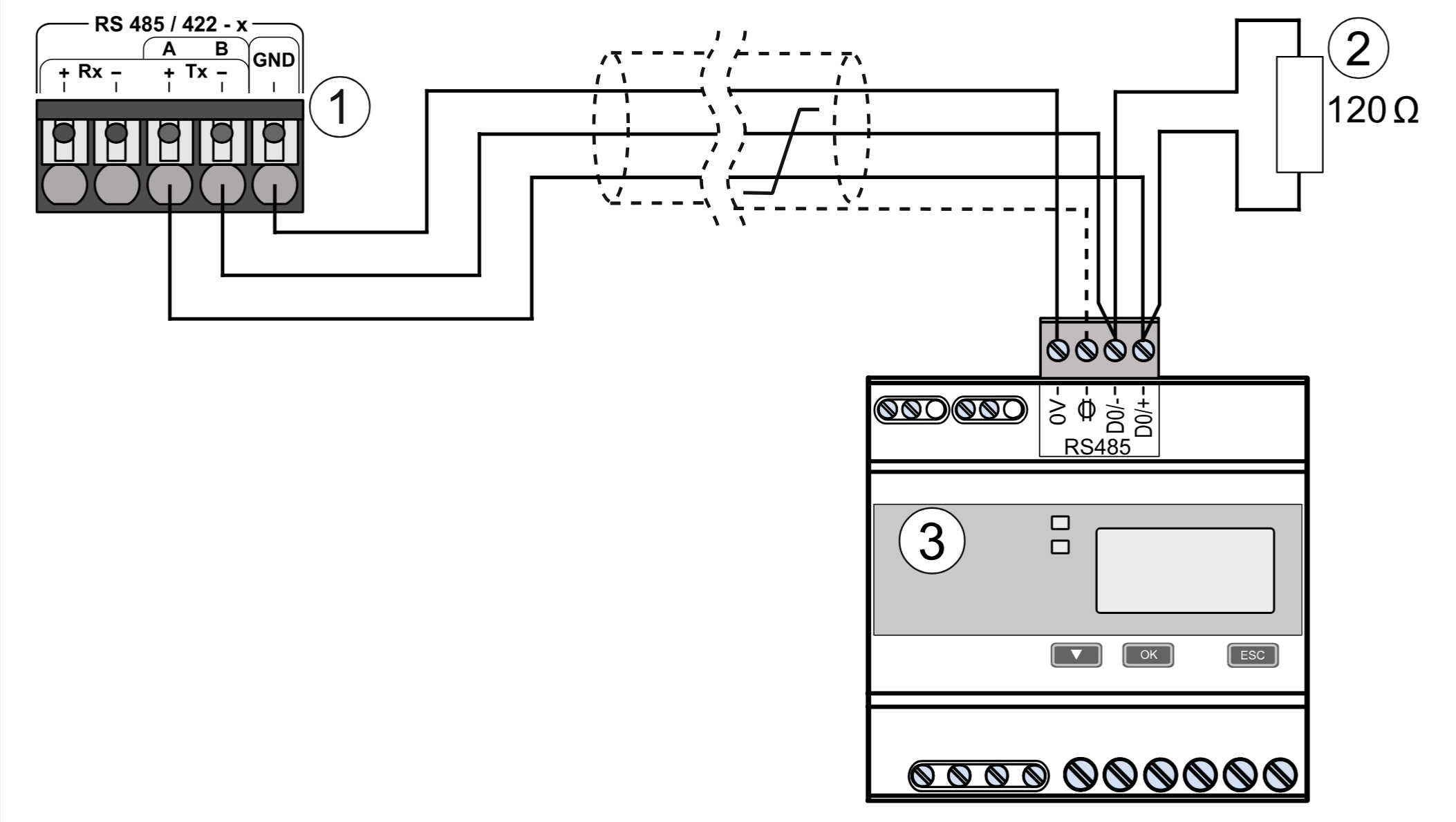
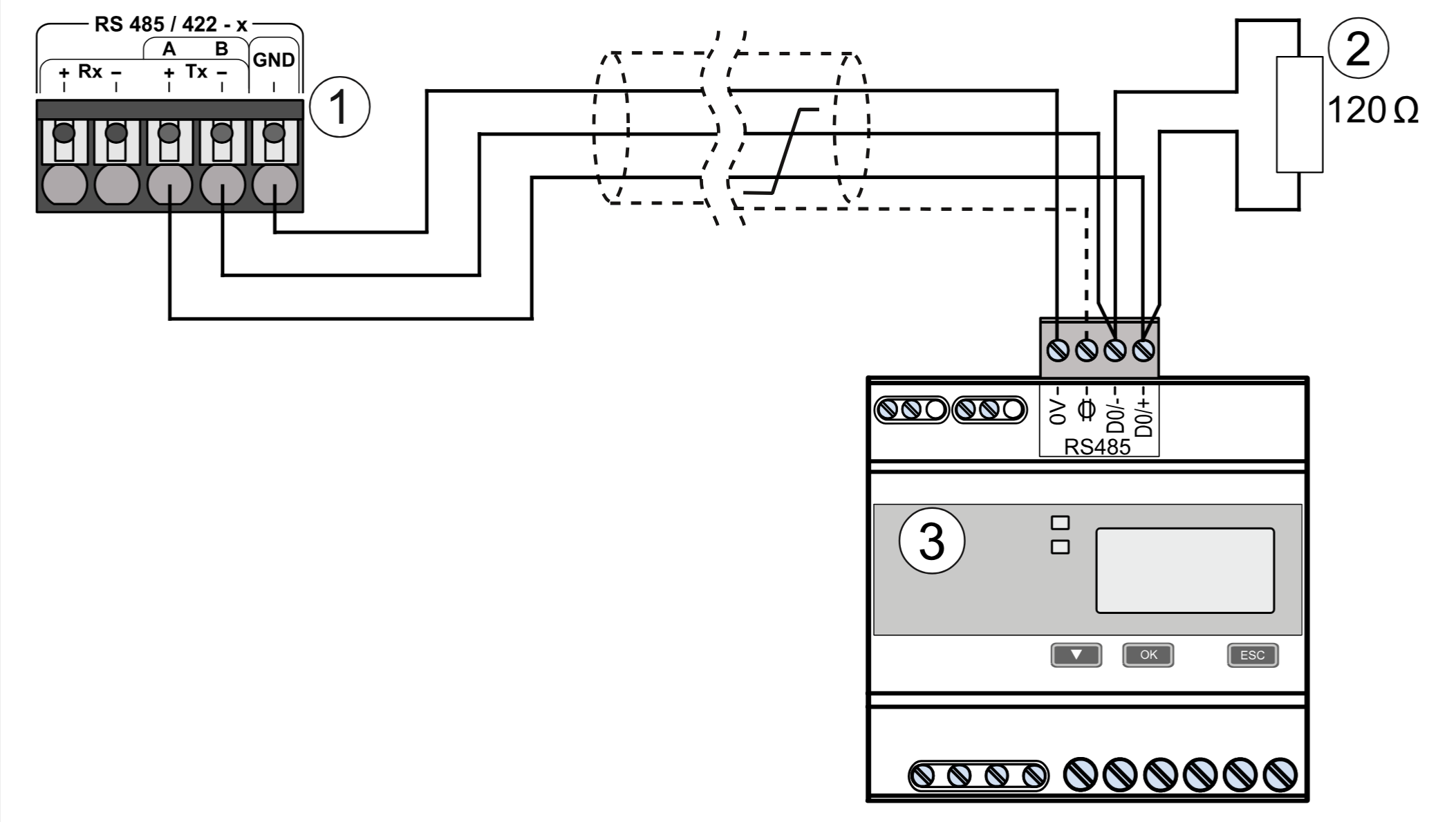
Schneider Electric IEM 315x, IEM 325x, IEM 335x energy meter
Set the bus address on the energy meter (see energy meter documentation).
If the device is the last one on the RS485 bus, terminate the bus with a 120 Ω terminating resistor.
Energy meter suitable for IPL function.

Schneider Electric IEM 315x, IEM 325x, IEM 335x energy meter: Connect energy meter
Description | |
|---|---|
| 1 | Data logger terminal, RS485 |
| 2 | Terminating resistor |
| 3 | Energy meter |